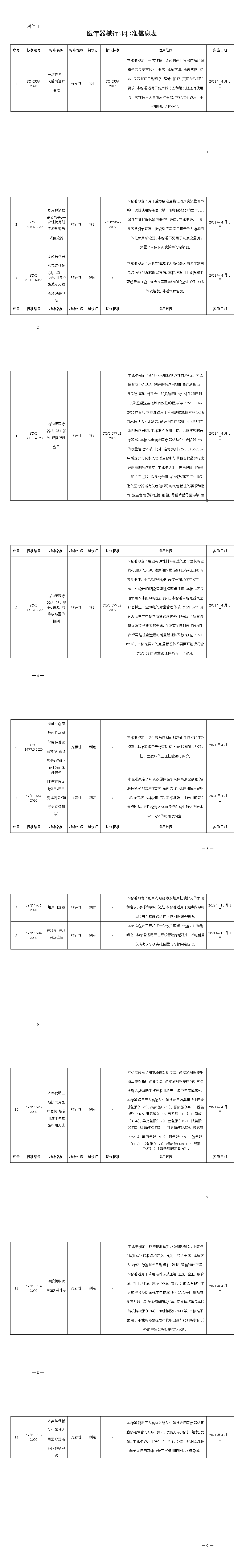
YY 0336-2020《一次性使用无菌阴道扩张器》等12项医疗器械行业标准和YY/T 1617-2018《血袋用聚氯乙烯压延薄膜》第1号修改单已经审定通过,现予以公布。标准编号、名称、适用范围、实施日期和修改单内容见附件。
特此公告。
附件:1.医疗器械行业标准信息表
2.YY/T 1617-2018《血袋用聚氯乙烯压延薄膜》第1号修改单
国家药监局
2020年3月31日
2026-02-06
2026-02-05
合规导向小程序
合规助手小程序
订阅号