E邀专家
各省、自治区、直辖市药品监督管理局,新疆生产建设兵团药品监督管理局,各有关单位:
为推进国家药监局重点实验室建设,满足我国药品创新发展和监管科学战略需求,根据《国家药品监督管理局重点实验室管理办法》(国药监科外〔2019〕56号,以下简称《管理办法》)有关要求,国家药监局决定开展第二批重点实验室申报工作。本次鼓励开展药品(包含药品、医疗器械、化妆品)监管科学研究的高等院校、科研院所积极申报,同时,统筹区域布局,重点支持药品、医疗器械、化妆品产业创新发展集中度较高的地区申报重点实验室。现将有关事项通知如下:
一、申报条件
(一)依托单位须在中华人民共和国境内依法成立并能够独立承担法律责任。具备所申请相关领域的资质,且具有相应的质量管理和科研管理部门。
(二)拥有开展研究所需的实验场所,依托单位原则上应当达到《药品检验检测机构能力建设指导原则》《医疗器械检验检测机构能力建设指导原则》《化妆品检验检测机构能力建设指导原则》B级及以上相关要求。
(三)拥有开展研究所需的国内先进水平的科学研究试验设备、仪器装备及配套设施等,依托单位仪器设备原则上应当达到《药品检验检测机构能力建设指导原则》《医疗器械检验检测机构能力建设指导原则》《化妆品检验检测机构能力建设指导原则》B级及以上相关要求。
(四)主管部门、地方政府和依托单位能够提供较好的条件保障,近三年投入的经费不低于6000万元,并对拟申请重点实验室的研究领域投入能力建设和科研经费,药品领域投入不低于1000万元。
(五)依托单位和重点实验室应当符合《管理办法》其他相关规定。
二、申报方式
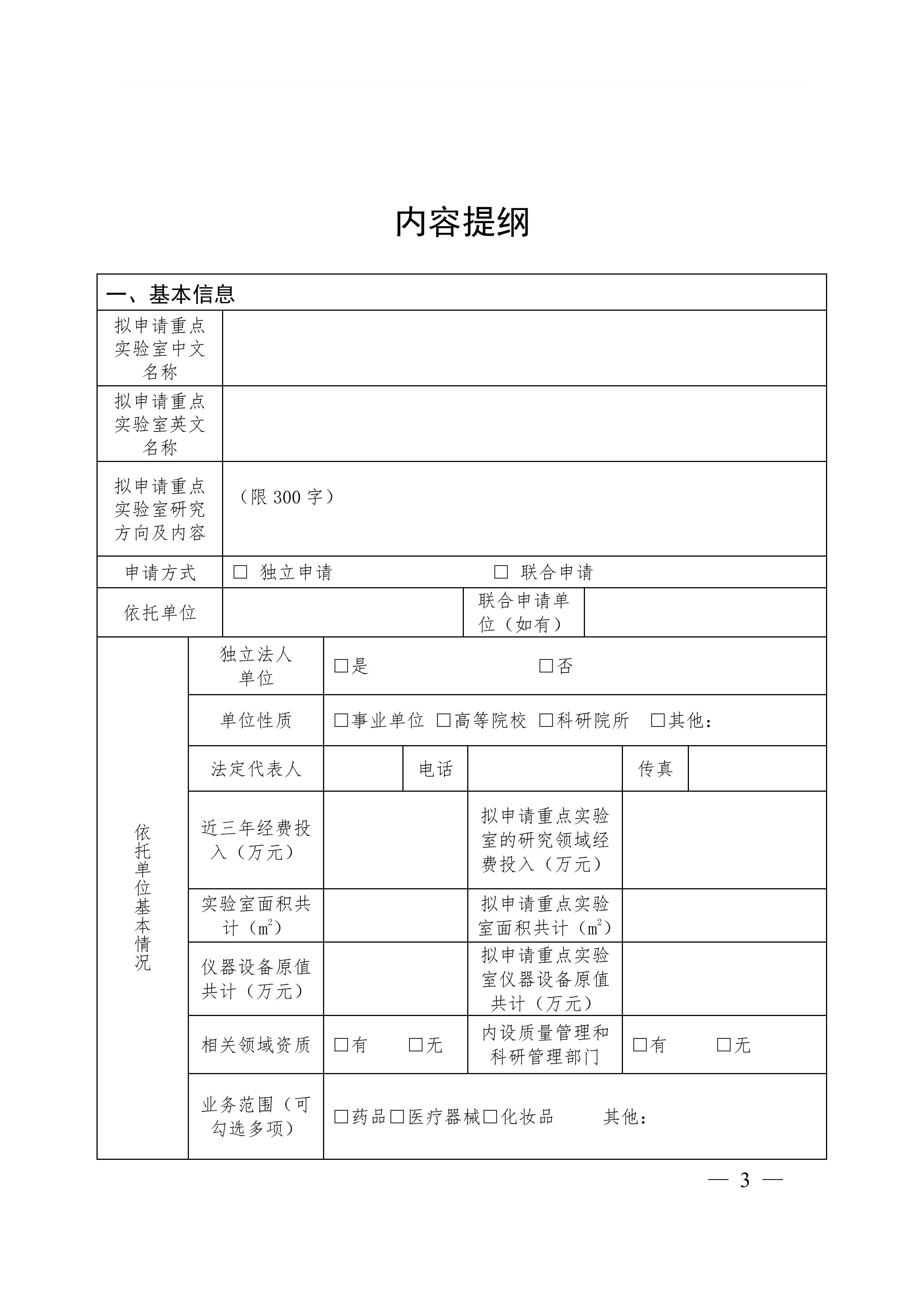
(一)2020年2月25日起,各依托单位经其主管部门同意后,向所在省、自治区、直辖市的省级药品监督管理部门以及新疆生产建设兵团药品监督管理局(以下简称省级局)提出申请,提交申请函和《国家药品监督管理局重点实验室申请书》(附件1,以下简称《申请书》)。《申请书》一式15份,勿用塑料封面,同时需加盖依托单位、主管部门公章。
(二)各省级局负责对申请材料进行初步审查,并对初步审查通过的《申请书》及《国家药品监督管理局重点实验室申请初步审查意见表》(附件2)加盖公章,报重点实验室建设管理办公室(以下简称管理办公室)。
(三)依托单位为国家药品监督管理局直属单位的,直接向管理办公室提交申请函和《申请书》,由管理办公室负责初步审查。
三、申报要求
(一)各依托单位应当根据《管理办法》规定的评审条件,按照药品领域、医疗器械领域、化妆品领域和其他领域四个申报领域进行申报,应当突出优势和特色,将实验室建设成为集中依托单位优势资源、代表相关领域最高研究水平的科技创新型、示范型、标杆型的综合性重点实验室。
(二)依托单位应当如实填报《申请书》,并按照要求提供证明材料(附件3),证明材料一式两套。联合申请时,由依托单位负责汇总、核实各单位材料。
(三)各省级局对申请材料要严格把关,逐项审查,并对申请材料的真实性、准确性和完整性负责,择优选择符合条件的实验室报送。
四、申报截止日期
申报材料受理截止日期为2020年4月24日(以邮截为准)。
五、联系方式
(一)申报咨询
中国食品药品检定研究院科研管理处
联系人:蔡海燕、杨雪、刘增顺
电 话:010-53851291、53851359、53851336
重点实验室建设管理办公室
联系人:陶雅敏
电 话:010-88330532
(二)申请材料受理
中国食品药品检定研究院科研管理处
联系人:蔡海燕、杨雪、刘增顺
电 话:010-53851291、53851359、53851336
申请材料寄送地址:北京市大兴区华佗路31号(邮编102629)
附件:1.国家药品监督管理局重点实验室申请书
2.国家药品监督管理局重点实验室申请初步审查意见表
3.申请重点实验室需提供的有关证明材料清单
国家药监局综合司
2020年2月15日












附件3
申请重点实验室需提供的有关证明
材料清单
1.依托单位资质情况。需提供法人证明、相关领域资质证书及附表等证明文件复印件。
2.依托单位投入。需提供主管部门、地方政府和依托单位等给予支持、筹资建设、资金批复的文件和建设方案复印件等。
3.人员结构。需提供实验室人员名单,包括姓名、性别、单位、出生年月、职称、研究方向或专业等主要信息,并提供人员在职证明、职称证明等相关材料复印件。
4.重点实验室主任。需提供重点实验室主任个人情况介绍,以及职称证明、学术成果、学术任职证明等相关材料复印件。
5.学术委员会委员。需提供学术委员会委员名单,包括姓名、性别、单位、出生年月、职称、研究方向等主要信息,并提供委员在职证明、职称证明、身份证明等相关材料复印件。
6.学术委员会主任。需提供重点实验室学术委员会主任个人情况介绍,以及职称证明、学术成果、学术任职证明等相关材料复印件。
7.主要学术带头人。需提供主要学术带头人情况介绍,以及职称证明、学术成果、学术任职证明等相关材料复印件。
8.实验室团队。需提供相应的创新团队证书等相关证明材料复印件。
9.国家级、省部级项目及经费。需提供项目或课题立项书首页、承担单位页、人员页等相关证明材料复印件。
10.合作研究课题及经费。需提供课题立项书首页、承担单位页、人员页等相关证明材料复印件。
11.科技奖励。需提供奖励证书等相关证明材料复印件。
12.标准制定修订。需提供牵头或参与制定修订的标准文本、委托协议书首页、单位和人员信息页等相关证明材料复印件。
13.补充检验方法和快检方法制定修订。需提供补充检验方法和快检方法文本、委托协议书首页、委托协议书单位和人员信息页等相关证明材料复印件。
14.论文、专著。需提供杂志或专著封面、目录页、文章首页、人员信息页等相关证明材料复印件。
15.专利及其他知识产权。需提供授权书等相关证明材料复印件。
16.发现系统性、区域性潜在隐患及风险预警能力。需提供相关说明性文字材料和证明材料复印件。
17.指导和承担检验检测任务。需提供检验检测任务合同或委托书等的首页、主要内容页和盖章页等相关证明材料复印件,如获过表彰,还需提供获表彰的证明材料复印件。
18.复检或复验能力和水平。需提供复检机构资格证明材料复印件。
19.应急检验检测能力。需提供相应级别监管部门出具的加盖公章的证明材料、相关检验任务报告书复印件或其他相应证明。
20.科研成果转化应用。需提供省级及以上监管部门出具的加盖公章的证明材料或相关证明文件。
21.面向社会开放情况。需提供参与大型科研仪器协作平台证明文件、设置开放性科研课题任务证明文件。
22.学术组织任职。需提供人员学术任职证书复印件。
23.学术交流。需提供会议通知、邀请函、会议报告集首页、目录页、报告页等相关证明材料复印件。
24.技术咨询和技术服务。需提供技术合同、培训邀请函、成果登记书等相关证明材料复印件。
25.推进社会共治。需提供会议通知、邀请函、会议报告集首页、目录页、报告页等相关证明材料复印件。
26.《管理办法》中规定的其他材料。
E邀专家

2026-02-06
2026-02-06
2026-02-06
2026-02-06
2026-02-05