E邀专家
各市市场监督管理局,省局机关各处室、直属各单位:
为贯彻落实新修订的《药品生产监督管理办法》(国家市场监督管理总局令第28号,以下简称《办法》)、《国家药品监督管理局关于实施新修订<药品生产监督管理办法>有关事宜的公告》(2020第47号,以下简称《公告》)、原浙江省食品药品监督管理局《关于贯彻省政府深化行政审批制度改革精神进一步下放和调整审批事项的通知》(浙食药监规〔2014〕2号)等要求,进一步规范全省药品生产许可有关工作,现就有关事项通知如下:
一、《药品生产许可证》的申请和核发
从事药品生产活动的,应当符合《办法》第六条的有关要求。
从事制剂、原料药、中药饮片生产活动,申请人应当根据药品上市许可持有人自行生产、药品上市持有人委托他人生产、药品生产企业接受委托生产和原料药生产企业四种情形,按照《公告》附件要求,准备申请材料并向省药品监督管理局(以下简称省局)提出申请。
药品上市许可持有人或药品生产企业对其申请材料全部内容的真实性负责。
省局按照《办法》第九条规定,组织开展申报资料技术审查和评定、现场检查,并自受理之日起三十日内,作出决定。
二、《药品生产许可证》的变更
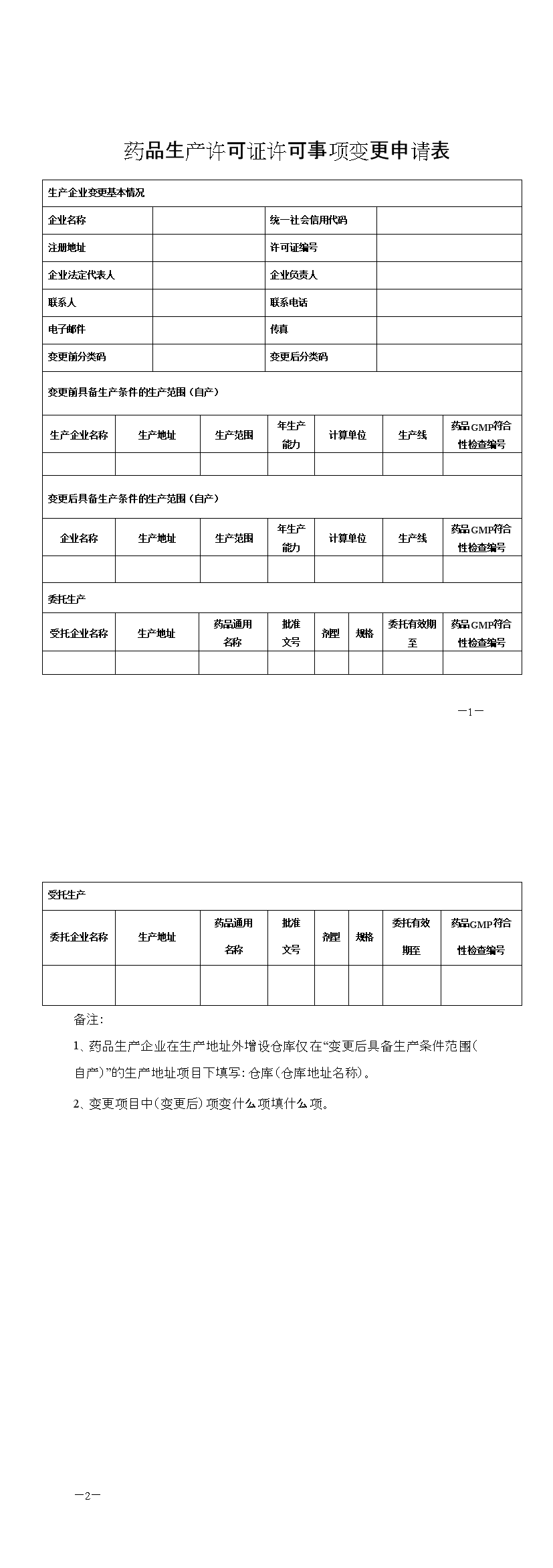
《药品生产许可证》变更分为许可事项变更和登记事项变更。
许可事项变更是指生产范围和生产地址等变更;登记事项变更包括企业名称、注册地址、法定代表人、企业负责人、生产负责人、质量负责人、质量受权人等变更。
(一)《药品生产许可证》许可事项变更。许可事项发生变更的,企业填写《药品生产许可证许可事项变更申请表》(见附表)并提交涉及变更内容的有关材料,由省局审查决定。
原址或者异地新建、改建、扩建车间或者生产线的,应当符合相关规定和技术要求,具备药品批准证明性文件的企业在提交涉及变更内容的有关材料时,同步报省局进行药品生产质量管理规范(以下简称药品GMP)符合性现场检查,现场检查结果发布在省局网站,并在《药品生产许可证》副本中载明有关变更情况。现场检查结果符合规定,产品符合放行要求的可以上市销售。
异地设仓库按《药品生产监督管理办法》第十六条办理并在药品生产许可证副本上载明。
(二)《药品生产许可证》登记事项变更。企业登记事项在市场监管部门变更后或企业下达任命文件后三十日内,企业填写《药品生产许可证登记事项变更申请表》向当地设区市市场监督管理局(以下简称市局)提交变更申请,市局以省局名义作出审查决定。
疫苗持有人《药品生产许可证》载明的关键人员项目发生变更的,应在变更后十五日内提交变更申请。
上述变更事项涉及药品注册证书及其附件载明内容的,根据国家药品监督管理局药品注册及药品上市后变更管理相关要求办理。
《药品生产许可证》变更后,发证部门在《药品生产许可证》副本上记录变更的内容和时间,并按照变更后的内容重新核发《药品生产许可证》正本,收回原《药品生产许可证》正本,变更后的《药品生产许可证》终止期限不变。
三、《药品生产许可证》的换发和注销
《药品生产许可证》有效期5年届满,需要继续生产药品的,应当在有效期届满前六个月,按《公告》要求提交药品生产许可证申请材料清单,向市局申请重新发放《药品生产许可证》,市局以省局名义作出审查决定。
对于药品品种多且GMP认证检查未发生变更的企业,在换证申报中简述车间概况及生产线情况,免提交《公告》附件1中药品生产许可证申请材料清单(药品上市许可持有人自行生产的情形)8-12项。需在现场检查时提供上述材料。
市局结合企业遵守药品管理法律法规、药品GMP和质量体系运行情况,根据风险管理原则进行审查,并对生产车间、生产线情况进行核实,在《药品生产许可证》有效期届满前作出是否准予其重新发证的决定。不具备生产条件的,不予换发《药品生产许可证》或核减相应的生产地址、生产范围。
《药品生产许可证》生产范围为药用辅料的,2020年7月1日后不再换发《药品生产许可证》。
持有人、药品生产企业具有《办法》第二十条情形之一的,我局将注销其持有的《药品生产许可证》,并在网站上公开注销信息。
四、《药品生产许可证》特别情形说明
依据药品管理法和疫苗管理法及《办法》的规定,除符合上述申报审批程序和原则外,对特殊情形依照以下规定办理。
(一)申请《药品生产许可证》用于提交药品上市注册申请的,依据《办法》第九条要求进行现场检查。
企业可整合自行生产和委托生产或受托生产的各项申请资料,在法定时限内进行申报。
(二)申请多品种或多剂型《药品生产许可证》,用于提交上市药品注册申请的,可资料整合后申报。同时委托外省药品生产企业生产的,应于受托企业取得《药品生产许可证》相应范围后申报;受托企业是省内企业的,可同期申报,省局予以关联审批。
(三)持有人需要委托生产的,依据《公告》附件“药品生产许可证申请材料清单中委托生产情形申请材料清单”提交申报材料。受托生产企业无《药品生产许可证》或《药品生产许可证》无相应生产范围的,应首先取得《药品生产许可证》或《药品生产许可证》增



E邀专家
