E邀专家
为加强药品上市后变更管理类别沟通交流工作的管理,规范药品上市后变更行为,规范申请人(持有人)与湖北省药品监督管理局(以下简称省局)之间的沟通交流,根据《中华人民共和国药品管理法》《药品注册管理办法》《药品生产监督管理办法》和《药品上市后变更管理办法(试行)》等有关规定,现将药品上市后变更管理类别沟通交流的有关事项通告如下:
一、药品上市后涉及技术类变更,申请人(持有人)经充分研究、评估和必要的验证后,无法确定变更管理类别、降低技术指导原则中明确的变更管理类别或降低申请人(持有人)变更清单中的变更管理类别时,可申请沟通交流。
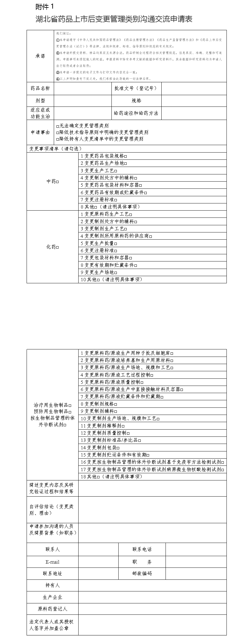
二、申请人(持有人)申请沟通交流,应通过电子邮件形式向省局注册管理处提交《湖北省药品上市后变更管理类别沟通交流申请表》扫描电子版(附件1),同时提交沟通交流申请资料扫描电子版(附件2)。联系电话:027-87111649,电子邮箱: hbypzczx@163.com。
三、省局注册管理处收到相关沟通申请资料后5个工作日内告知持有人相关资料是否齐全。
四、省局注册管理处接收沟通申请后,及时组织沟通交流。沟通交流可采用电话沟通、网络沟通、会议沟通等方式进行,需要召开沟通交流会议的,与持有人共同商定会议相关事项。
五、沟通交流会议由省局注册管理处牵头,委派给技术审评核查中心组织召开。沟通交流会议由技术审评核查中心工作人员主持,省局注册管理处派员参加,对会前提出的拟讨论问题逐条进行讨论,过程中产生的发散性问题和临时增加的新问题原则上不在沟通交流范围内。
技术审评核查中心根据需要召集相关行政部门、技术支撑部门有关人员参加沟通交流会议。
召开沟通交流会议应符合以下基本条件:应同时提交上述附件1和附件2;参加沟通交流会议人员的专业背景,应当满足针对专业问题讨论的需要。
确定召开沟通交流会议的,省局注册管理处需在确定会议日期后5日内电话或书面告知申请人(持有人),包括日期、地点、注意事项、需进一步提交会议讨论的资料,以及拟参会人员等信息。
有以下情形的,不能召开沟通交流会议:拟沟通交流的问题,还需要提供额外数据才具备沟通交流条件的;申请人(持有人)参会人员专业背景,不能满足沟通交流需要,无法就技术问题进行沟通的;不能保证有效召开会议的其他情形。不能召开沟通交流会议的,省局注册管理处应当电话或书面说明具体原因。申请人(持有人)需在完善相关工作后,另行提出沟通交流申请。
六、沟通交流结束后,省局注册管理处在20个工作日内将沟通交流意见(附件3)书面反馈持有人。沟通意见一致的按规定执行,意见不一致的,持有人不得降低变更管理类别。
七、同一药品的相同变更事项原则上仅组织1次沟通交流,不再重复沟通。
特此通告。
附件:1. 湖北省药品上市后变更管理类别沟通交流申请表
2. 沟通交流申请资料
湖北省药品监督管理局
2021年7月16日
(公开属性:主动公开)
相关推荐
CIO提供以下相关文库下载、合规服务以及线上培训课程学习。
附件1

附件2
沟通交流申请资料
一、企业沟通交流申请报告、参加沟通交流人员委托书(加盖企业公章)。
二、变更内容情况(包括变更前后对比、自评估结论等)。
三、支持变更管理类别评估结论的总结(包括但不限于以下内容)。
1.产品特点概述;
2.持有人内部变更分类原则、变更管理工作程序、变更风险管理标准;
3.自评估情况;
4.按照药品上市后变更有关指导原则要求开展的变更研究汇总数据和结果;
5.必要的验证情况。
四、持有人和药品生产企业《药品生产许可证》、药品批准证明性文件、药品质量标准复印件、历次变更证明文件等。

E邀专家
